缠绕管式换热器机组
上一个:板式换热器机组 下一个:管式换热器机组
详情介绍
智能换热机组

智能换热机组是集成了换热器、循环泵、补水泵、仪表、传感器、电气控制及阀门管路于一体的机电化设备,并进行科学计算和优化设计,具有硬件配置精良,结构布局合理,控制系统先进,操作管理方便,节约运行费用等优点,能为不同需求的用户提供一体化的换热综合解决方案。

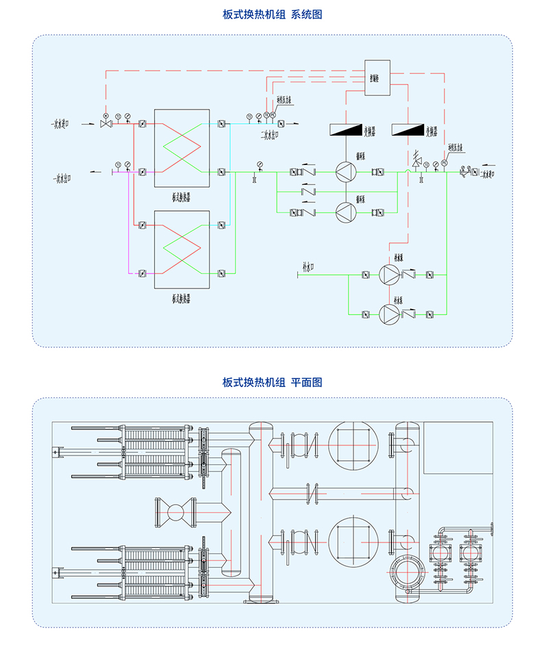
机组设计

换热机组设备和管路的布置,外形美观、管道接口流畅、压力损失小、检修方便、便于操作和观测;板式换热器的两侧留有维修空间;一次侧介质为蒸汽时,其介质在管道内的流速小于50m/s一次侧介质为热水时,其介质在管道内的流速小于2.5m/s;二次侧介质在管道内的流速小于3m/s。换热机组管路及设备的压力降一次侧不超过100kpa,二次侧不超过120kPa。

换热器

换热器可以采用板式换热器、全焊接板式换热器等,其中换热器可以设置2台,每台承担70%的负荷;换热器压力降:板式一次侧不大于50ka,二次侧不大于70kpa,传热系数大于6000W/m2,水泵:循环水泵设置1台或2台(一用一备),流量大于200m3/h设3台循环水泵(两用一备);机组设置1台或2台(一用一备)补水泵。

阀门及其它管路附件

机组管道颜色对比:一次侧管网为红色,二次管网为黑色。汽水机组中,一次侧的蒸汽管上应安装电动阀,前后应设置阀门及带阀门的旁通管路蒸汽管路和疏水管路全部采用铸钢阀门,水侧选择蝶阀(大于DN150选择蜗轮蝶阀)循环水泵功率大于等于及带阀门的旁通管路蒸汽管路和疏水管路全部采用铸钢阀门,水侧选择蝶阀(大于DN150选择蜗轮蝶阀)循环水泵功率大于等于及带阀门的旁通管路蒸汽管路和疏水管路全部采用铸钢阀门,水侧选择蝶阀(大于DN150选择蜗轮蝶阀)循环水泵功率大于等于器。机组与外界管道接口处使用的关断阀选用球阀。换热器二次水进出口必须安装旁通管,便于第一次运行时冲洗管道。

换热机组控制系统

Ⅰ型:机组具有自动补水功能+手动调节供水温度+手动调节二次侧流量

Ⅱ型:机组具有自动补水功能+手动调节供水温度+手动调节二次侧流量+温度控制及温度补偿功能

Ⅲ型:温度控制功能+温度补偿功能+补水泵变频自动定压补水控制

Ⅳ型:温度控制功能+温度补偿功能+补水泵变频自动定压补水控制+循环泵变频系统

Ⅴ型:设计配置是在ⅣV型基础上再加上热计量和远程通讯系统控制功能,所有的配置在Ⅲ型配置基础上增加流量控制系统及安全泄压电磁阀,机组控制部分可在主动和被动方式下与监控中心通过通讯线缆数据通信,通讯协议应为标准的、公开的。

主要特点

智能一体化  性价比更高  质量更稳定  运行管理更轻松

主要参数
压力等级 PN10/PN16
温度范围 -20~300°C
采暖面积 100000 m2
应用领域

应用到区域供热/制冷系统,生活热水系统,余热回收,海水淡化工艺冷却系统等诸多领域。

广州三化热工设备有限公司 版权所有
技术支持[东莞网站建设]